在工业4.0的浪潮下,智能制造正向柔性化生产转型。作为具身机器人与环境交互的“触角”,灵巧手正成为重构工业生产模式的核心装备。从微小电子元器件的精密装配,到汽车零件的安装调试,灵巧手能够适应工业场景各种复杂操作要求。这些场景不仅要求灵巧手感知是否接触,更需精准判断接触方向、物体滑动趋势及硬度特征。在此背景下,华力创科学推出了PhotonFinger-5in1灵巧手精细力觉解决方案。

方案通过在灵巧手多个指关节集成高精度(0.05N 级)、高可靠性(百万次级)、高集成化(8.5mm 直径)的多维力传感器,使机器人能够精准判断接触状态、物体滑动趋势及硬度,实现智能化、稳定化抓握。华力创科学特有的光学多模态感知技术,使其实现0.05N显微级力觉感知精度与1000Hz高频采样,为“抓握力度大模型”训练提供了可靠数据支持。在PhotonFinger-5in1灵巧手精细力觉解决方案的研发中,铂力特的金属 3D 打印技术提供了关键支撑。
全自动闭环标定产线,确保量产稳定如一
传感器内部复杂结构通过铂力特久经考验的精密成形工艺快速研发落地。而双方共同策划的全自动闭环标定产线,确保了每一批次产品力感知特性的高度一致,有效避免了传统制造中的批次差异,为开发者提供稳定可靠的力数据,保障训练数据的完整性。

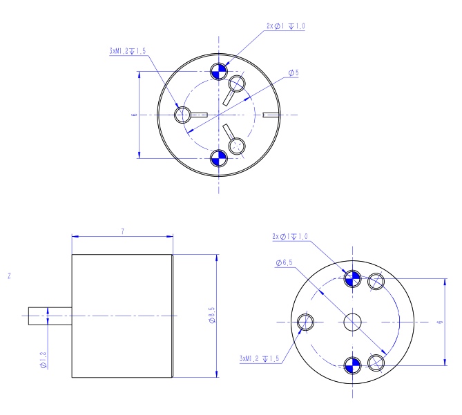
高效集成,小尺寸精密制造
面对灵巧手空间限制的挑战,金属3D 打印微米级层厚,为高精度零件的生产提供了可靠保障;铂力特采用的设备为BLT-A100,使用18Ni350金属粉末,通过20μm层厚打印工艺,协助华力创科学开发出直径仅8.5mm的多维力传感器,实现了传感器在有限空间内的高效集成。

一体化成形,铸就超强可靠性
金属3D打印一体成形的PhotonFinger-5in1灵巧手精细力觉解决方案,减少了传统组装工艺带来的应力集中和潜在故障点。经过严格可靠性测试,PhotonFinger-5in1 方案的传感器达到30万次超长寿命与 ±1% 精度稳定性,开发者可以持续获取一致的精准力觉数据,并且在工业长期高频使用环境下,依然能够保持稳定性能。

铂力特为华力创科学带来的技术突破远不止于此。铂力特助力华力创科学研发出目前全球尺寸最小的多维力传感器Photon
Finger,成功攻克力传感器微型化难题;推出具有中心通孔结构的腕关节六维力传感器PhotonR40,量产效率与性能得到显著优化;联合研发的第二代光基多维力传感器Photon
Finger Max,在量程性能等关键指标上实现重大突破,满足快速迭代的产品开发需求。
展望未来,铂力特与华力创科学的深度合作,将持续推动人形机器人技术革新,为工业4.0 时代下的智能制造升级注入新的动力。

0 留言