导读:众所周知,全球一些地区缺乏清洁的饮用水,而海水淡化是解决这一问题的一种方法。然而,传统的海水淡化技术存在高能耗和高成本的问题,使得这种方法难以普及。因此,需要一种转化效率更高的新技术来应对全球水资源危机的挑战。

2025年8月6日,香港理工大学的研究团队成功开发出一种海绵状3D打印气凝胶材料,仅依靠阳光即可高效将海水转化为饮用水,为全球饮用水短缺问题提供了全新解决思路。

科学家们的新方法基于现有技术。它使用由多孔材料制成的太阳能蒸发器。海水蒸发后,蒸汽被收集起来。蒸汽冷却后,就变成了可饮用的淡化水。但有一个问题:可扩展性。尽管人们尝试过扩大这些蒸发器的规模,但产量并没有以相同的速度增长。这是因为在体积大、厚度大、孔隙微小的材料中,蒸汽也会被困住。因此,这种方法效率不高,而且运行速度很慢。
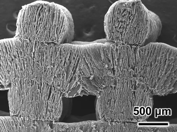
香港理工大学的研究人员在沈曦教授的带领下,开发了一种由纤维素纳米纤维和碳纳米管制成的气凝胶。这种凝胶采用一种名为“冷冻3D打印”的工艺成型。与传统打印方式一样,材料逐层打印,但每层都会立即进行速冻。一层固化后,再添加下一层。这一工艺创造出具有连续垂直通道和超薄壁的结构。最终得到的材料类似于海绵,每个垂直孔洞的宽度约为20微米。

太阳能和3D打印气凝胶结构提供清洁饮用水
研究团队使用大小各异的方形材料进行了测试,这些材料从最小的 0.4
英寸(1厘米)宽到最大的3英寸(8厘米)宽不等。无论大小,水的蒸发率都保持相同。随后,团队将这些“海绵”放入盛有海水的杯子中,并用透明塑料覆盖,进行户外测试。阳光加热表面,导致水蒸发,但盐不会蒸发。这些干净的水蒸气随后聚集在塑料盖的底面上。冷却后,它会重新凝结成液体,滴入漏斗,然后流入下面的容器中。
沈教授表示: “我们的气凝胶可以实现任何尺寸的全容量海水淡化,为无能源海水淡化生产清洁水提供了一种简单、可扩展的解决方案。” 经测试,只需在自然阳光下照射六个小时,这个简单的系统就能产生约“3汤匙”的淡水,并且它的质量在较长时间内保持稳定。他们还发现,即使气凝胶的表面积增加,水蒸气也能快速通过结构逸出。这意味着该方法真正具有可扩展性。在一项测试中,结垢造成的性能损失仅为5%左右,而其它材料的性能损失则超过40%。
团队下一步将聚焦于实际应用环境下的长期测试,评估材料更换频率及耐久性。此项创新有望推动低能耗、低成本、可大规模部署的海水淡化解决方案,为沿海及缺水地区带来切实福音。

0 留言