导读:多孔材料被广泛用作太阳能海水淡化的光热蒸发器。然而,传统蒸发器的性能会随着尺寸的增加而显著下降,限制了其从实验室规模到实际应用的可扩展性。
2025年7月10日,来自香港理工大学航空及航天工程系的一组研究团队开发出了一种突破性的海绵状气凝胶,仅利用阳光就可以将海水转化为干净的饮用水。

△这不是纸张,而是一种3D打印材料,可以吸收海水,将其净化成无盐水。图片来源:改编自ACS EnergyLetters 2025
与早期材料不同,这种3D打印结构充满了微小的垂直通道,即使在较大尺度下也能高效蒸发水分。在户外测试中,该海绵仅用数小时便产出了饮用水,而且无需电力或复杂的基础设施。团队的研究成果以题为“Size-Insensitive VaporDiffusion Enabled by
Additive Freeze-Printed Aerogels for Scalable
Desalination/利用添加剂冷冻打印气凝胶实现尺寸不敏感蒸汽扩散,实现可扩展的海水淡化”的论文发表在《美国化学学会能源快报》(ACS
Energy Letters)上。

将阳光转化为淡水
地球上的大部分水都存在于海洋中,但海洋的盐度太高,无法饮用。虽然海水淡化厂可以去除盐分,使海水可以饮用,但通常会消耗大量能源。现在,研究人员开发出一种很有前景的新材料,可以改变这一现状。本研究中开发的海绵状结构中充满了细长、微小的气孔,可以利用阳光将海水转化为干净的淡水。在一次户外测试中,这个简单的系统——仅用一块海绵和一个透明的塑料盖——成功地利用自然光生产出了饮用水。这标志着低能耗、可持续的海水淡化技术朝着更易于普及的方向迈出了一步。
从丝瓜络到气凝胶:太阳能海绵的进化史
科学家们一直在尝试利用太阳能材料净化水。早期的一个例子是使用一种受丝瓜络启发的水凝胶,其中填充了特殊的聚合物。当它暴露在阳光下时,会升温并从污水中释放出干净的水蒸气。这类水凝胶质地柔软,充满液体,但还有一类名为气凝胶的材料,它们的硬度更高。

△一种受丝瓜络启发的多孔水凝胶可以在室温下吸收污水,然后在加热时迅速释放纯净水。改编自 ACS Central Science 2023,DOI:10.1021/acscentsci.2c01245
这些材料具有实体孔隙,可以通过其结构输送水或蒸汽。气凝胶在海水淡化方面已展现出良好的前景,但随着尺寸的增大,效率往往会降低。为了解决这个问题,项目负责人沈教授和同事着手设计一种新型气凝胶,无论尺寸大小,都能保持同样的效率。
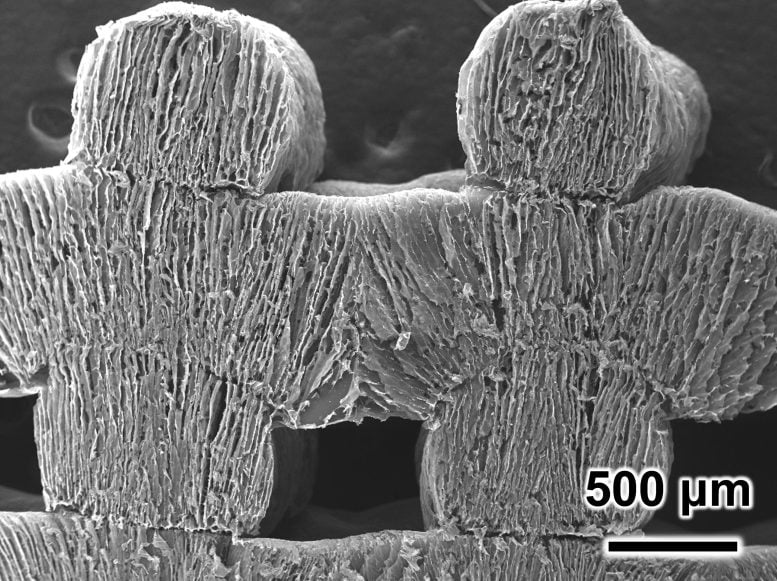
3D打印微通道海绵气凝胶
研究人员制作了一种含有碳纳米管和纤维素纳米纤维的糊状物,然后将其3D打印到冷冻的表面上,让每一层都凝固后再添加下一层。这个过程形成了一种海绵状的材料,上面均匀分布着微小的垂直孔洞,每个孔洞的宽度约为20微米。他们测试了这种材料的方形碎片,尺寸从0.4英寸(1厘米)到约3英寸(8厘米)不等,发现较大的碎片通过蒸发释放水分的效率与较小的碎片一样高,解决了以往气凝胶设计中常见的结垢问题。

在一项户外测试中,研究人员将这种材料放入一个装有海水的杯子中,并用一个弯曲的透明塑料盖盖住。阳光加热了海绵状材料的顶部,只蒸发了水,而不是盐,变成了水蒸气。水蒸气在塑料盖上以液体形式聚集,将现在干净的水移到边缘,然后滴入杯子下方的漏斗和容器中。在自然阳光下照射6小时后,该系统产生了约3汤匙的饮用水。

△一个定制装置利用自然阳光去除海水中的盐分,它使用一个装有海水的烧杯、一块黑色气凝胶和一个弯曲的塑料盖,将盐滴入漏斗和烧杯中。(图片来源:ACS Energy Letters)
最后,沈教授表示:“我们的气凝胶可以实现任何规模的全容量海水淡化,这为无能源海水淡化生产清洁水提供了一种简单、可扩展的解决方案。”

0 留言